Features:
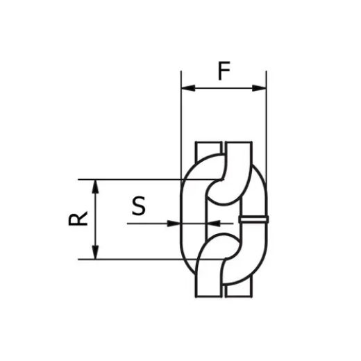
Beaver proof coil commercial chain is a non-rated chain, manufactured from low carbon steel and is for general purpose use only. "Proof coil" refers to the number of consistent links in any one length. This long link proof coil chain is not suitable for lifting purposes, and has a electro galvanised finish.