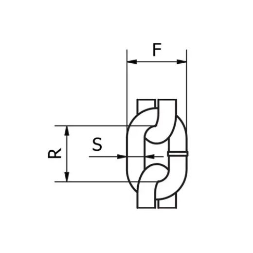
Features:
Beaver Grade 80 calibrated load chain is designed to suit Beaver 3S chain and leaver blocks. This chain is not to be used for lifting.
Subscribe to our newsletter to be informed about our latest products and promotions