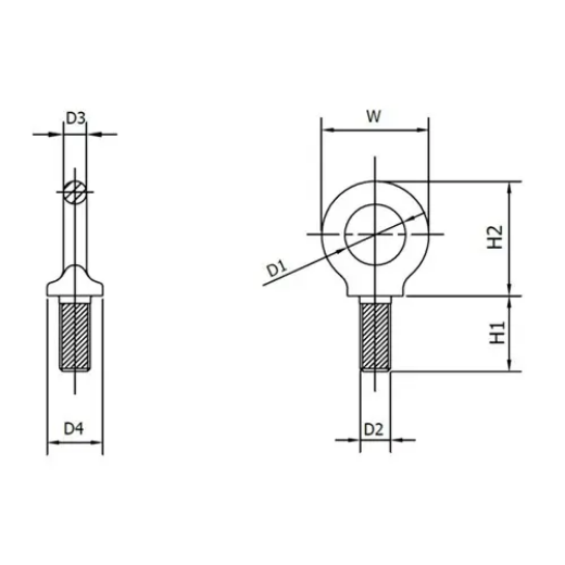
Features:
Beaver lifting eyebolts and eyenuts come in a range of threads, including BSW, UNC, and Metric, and are predominately used for lifting applications. This eyebolt complies to AS 2317.
Subscribe to our newsletter to be informed about our latest products and promotions