Features:
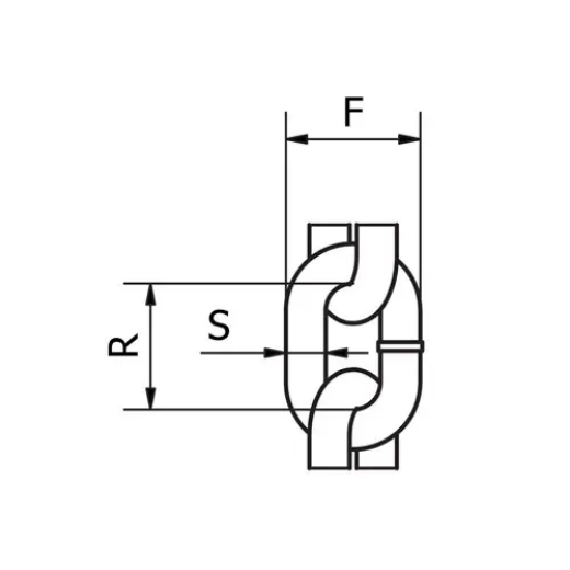
Beaver trailier safety chain is manufactured for the use of coupling towed devices such as trailers, and is designed in accordance with AS/NZS 4177.4. This chain is for trailers up to 3.5t, and is not to be used for lifting.
Subscribe to our newsletter to be informed about our latest products and promotions